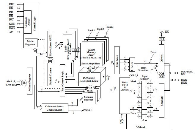
Product Summary
The NT5TU64M8AE-37B is a 512Mb DDR2 SDRAM. The 512Mb Double-Data-Rate-2 (DDR2) DRAMs is a highspeed CMOS Double Data Rate 2 SDRAM containing 536,870,912 bits. It is internally configured as a quad-bank DRAM.
Parametrics
NT5TU64M8AE-37B absolute maximum ratings: (1)voltage on VDD pin relative to VSS: -1 to 2.3V; (2)voltage on VDDQ pin relative to VSS: -0.5 to 2.3V; (3)Voltage on any pin relative to VSS: -0.5 to 2.3V; (4)storage temperature: -55 to 100℃.
Features
NT5TU64M8AE-37B features: (1)Programmable Additive Latency: 0, 1, 2, 3 and 4; (2)Write Latency = Read Latency -1; (3)Programmable Burst Length: 4 and 8; (4)Programmable Sequential / Interleave Burst; (5)OCD (Off-Chip Driver Impedance Adjustment); (6)ODT (On-Die Termination); (7)4 bit prefetch architecture.
Diagrams

(Hong Kong)






